
የ StM8S103F3P6 አስደናቂ በሆነው ተግባሩ እና እንከን የለሽ ውህደት የተዳከመ 8-ቢት ማይክሮControble የተገነባ 8-ቢት ማይክሮControver ነው.ይህ የታመቀ መሣሪያ የመቁረጫ-ጠርዝ ቴክኖሎጂን በመጠቀም የታተሙ የተራቁ ዋና ዋና እና አስገራሚ የሆኑ የተራቁ ዋና ዋና እና አስቂኝ ሁኔታዎችን በማቅለል የተሸሸገ መሣሪያ (SMD) የመጫኛ ዘይቤ የታጠፈ ነው.ከ 16 ሜኸድ የደመወዝ ድግግሞሽ ጋር, STM8S1033f3P6 ጠንካራ የመረጃ ማቀነባበሪያ እና አያያዝን ያረጋግጣል.ገለልተኛ የሰዓት ምንጭ እና የሰዓት ደህንነት ስርዓት የታገገላ ነፃ የመጠባበቂያ ሰዓት ቆጣሪ, ከሚያስከትሉ ድንገተኛ ችግሮች ጋር የመሣሪያ አፈፃፀም እና የመቋቋም አቅም ያረጋግጣል.
ለአድራሻ እና ለተንቀሳቃሽ ስልክ ምላሽ ሰጭ ያልሆነ ማከማቻ የሚያቀርብ የእሱ እቀባ አወጣጥ ባህሪዎች አንዱ ነው.ከ 2.95 ቪ እስከ 5.5 V በሚሠራው የስራ መዘግየት ክልል, ይህ ማይክሮኮንትሮተር በጣም ሁለገብ እና ለተለያዩ ማመልከቻዎች ከሁለቱ መተግበሪያዎች ጋር መላመድ የሚችል ነው.በተጨማሪም, ከ --40 ዲግሪ ሴንቲ ግሬድ እስከ 85 ዲግሪ ሴንቲግሬድ ድረስ ሰፊ የአካባቢ ሁኔታዎችን ለማሰማራት ተስማሚ ያደርገዋል.
• MSP430G2353
• ፒክ 16fl18444T
• STM8S103F3P3


ዝቅተኛ የኃይል ፍጆታ-የስድ ፈታኝ ሞድ, የእንቅልፍ ሁኔታ, ጥልቀት ያለው የእንቅልፍ ሁኔታ እና የጥልቅ የእንቅልፍ ሁኔታ እና የአጥንት ሁነታን ጨምሮ የመምረጥ የተለያዩ ዝቅተኛ የኃይል ፍጆታ ሁነታዎች አሉት.
ከፍተኛ አፈፃፀም Stm8 ኮር ንድፍ አውጪውን ያካሂዳል, ይህም የሥራ ማስገቢያ ፍጥነቱን በከፍተኛ ሁኔታ ያሻሽላል እና ለትግበራችን የበለጠ ውጤታማ የስምምነት ችሎታዎችን ይሰጣል.
በርካታ የግንኙነት በይነገጽ-SPI (የመለያ አያካሽ በይነገጽ), I2C እና URAR ን ጨምሮ የተለያዩ የግንኙነት አጠቃቀሞችን ይደግፋል.በእነዚህ በይነገጽዎች አማካኝነት ብዙ ተግባሮችን እና መተግበሪያዎችን ለማሳካት ከውጭ መሳሪያዎች ጋር በቀላሉ መገናኘት እና መስተጋብር ይችላል.
የተትረፈረፈ ሥፍራዎች-ስቲኤም8s103f3P6 ማይክሮ ኮምበርት 16 ኪ.ባ የማስታወሻ ማህደረ ትውስታ እና 1 ኪ.ቢ.ቢ. እና 1 ኪ.ቢ.ቢ. እና 1 ኪ.ቢ.ቢ.የእነዚህ ተጓ ons ች ልዩነት መሣሪያ መሣሪያ ለተለያዩ የትግበራ ሁኔታዎች ተስማሚ ያደርገዋል እናም የተለያዩ መስኮች እና ኢንዱስትሪዎች ፍላጎቶችን ሊያሟላ ይችላል.የኢንዱስትሪ ቁጥጥር, ብልጥ ቤት, ወይም የተከተተ ሥርዓቶች ቢሆኑም Stm8s103F3P6 ድጋፍ ሊሰጥ ይችላል.

STM8S103f3P6 በቀጭኑ በሚሽከረከርበት አነስተኛ የውይይት ማሸጊያ ጥቅል (Tssop) ውስጥ የታሸገ ነው.የሰውነት እና የእርሳስ ክፍተቶች ከተመዘገቡ ሶኪ ፓኬጆች ያንሳል.የተለመደው የ TSSSO on Pict ቴክኖሎጂን ለመገጣጠም ተስማሚ ያደርገዋል, ይህም SMT ቴክኖሎጂን ለመገጣጠም ተስማሚ ያደርገዋል.TSSOP ጥቅልዎችን ሲጠቀሙ, የጥገኛ ፓኬጆችን ሲጠቀሙ (በአሁን ትላልቅ ለውጦች ምክንያት የሚከሰቱ voltage ልቴጅ ረብሻን ያነሱ, ስለሆነም ለከፍተኛ-ድግግሞሽ ትግበራዎች ተስማሚ ነው.ይህ ዓይነቱ ጥቅል ለማካሄድ የበለጠ ምቹ ነው እናም ከፍ ያለ አስተማማኝነት አለው.
TSSOP ጥቅል የሚከተሉትን ባህሪዎች አሉት
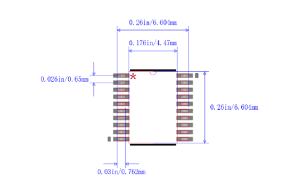
• አነስተኛ ፒን ክፍተት-ፒን ክፍያው በአጠቃላይ 0.6mm ወይም 0.65 ሚሜ.በወረዳ ቦርድ መዳብ ቤቶች ዲዛይን አማካይነት ተጨማሪ መሣሪያዎች በተማሪው እና መጠን ባለው የወረዳ ቦርዱ ላይ ሊቀመጡ ይችላሉ.
• የትግበራ ሰፊ ስፋት-እንደ ማይክሮ ቁረኞች, DSPS, የማህደረ ትውስታ ቺፕስ እና የኃይል አቅርቦት ቺፕስ ላሉ የተለያዩ የማመልከቻ መስኮች ሊተገበር ይችላል.
• ከፍተኛ የፒን ቆጠራ: - የፒኖች ብዛት በአጠቃላይ ከ 20 እስከ 64 የሚሆኑት የተወሰኑ የ CAPI የመቀላቀል ፍላጎቶችን ሊያሟላ ይችላል.
• አነስተኛ የጥቅል መጠን: - ከተለመደው አነስተኛ ዝርዝር (SAPS) ጥቅሎች ጋር ሲነፃፀር የጥቅሉ መጠን ቀጫጭን ነው, እና የድምፅ መጠን ያላቸው የተዋሃዱ ወረዳዎች ለማሸጊያ ተስማሚ ነው.
• ከፍተኛ አፈፃፀም የቴክኖሎጂ ተራራን ይቀበላል, ጥሩ ባህሪ እና የቆዳ መቋቋም, እንደ ከፍተኛ ፍጥነት, ከፍተኛ ድግግሞሽ, አነስተኛ, አነስተኛ, እና የመሳሰሉትን ልዩ መስፈርቶችን ያሟላል.
ካልተገለጸ በቀር ሁሉም የእሳተ ገሞራዎች ወደ vss ተጠርተዋል.
የአከባቢው ሙቀት መጨመር, የ Vol ልቴጅ እና ድግግሞሽ በሚካሄዱት በጣም መጥፎ ሁኔታዎች ስር የተረጋገጠ እና ከፍተኛ እሴቶች የተረጋገጠ ነው.ዋስትናዎች በአከባቢው የሙቀት መጠን የታሸገ የሙቀት መጠን በተካሄደው የሙቀት መጠን በ 100% የሚሆኑት መሳሪያዎች በ 100% የሚሆኑት መሳሪያዎች በ 100% የሚሆኑት የማምረቻ ፈተናዎች አማካይነት ነው.
በባህላዊነት ውጤቶች ላይ የተመሠረተ እሴቶች በጠረጴዛ የግርጌ ማስታወሻዎች ውስጥ, ንድፍ ማስመሰያዎች, እና / ወይም የቴክኖሎጂ ባህሪዎች በተሰነዘረባቸው እና የምርት ፈተናን የማውቀዝ አይሆኑም.ከባህላዊ እና ከፍተኛው እሴቶች የናሙና ግምገማዎችን ይመለከታሉ እና የመነሻ ዋጋቸውን ከበርካታ ፕላስ ወይም ከሶስት እጥፍ ጋር ተመሳሳይ እሴት ያመለክታሉ.
በግልጽ ካልተገለፀው በስተቀር መደበኛ ውሂብ በ ta = 25 ° ሴ የተቋቋመ ነው, ፉዲ = 5 V. እነዚህ እሴቶች ልክ እንደ ንድፍ ማጣቀሻዎች ብቻ ናቸው እና ሙከራውን ያልተካሄዱ አይደሉም.
የ ADC እሴቶች የተጠናቀቁ ትክክለኛነት የተሟላ ትክክለኛነት የተሟላ ነው የተሟላ የሙቀት መጠን ብዛት ባለው መደበኛ የመለዋወጥ ሁኔታ ውስጥ ናሙናዎች በሚባል ስብስብ በኩል ነው.በዚህ ዐውደ-ጽሑፍ ውስጥ 95% የሚሆኑት መሣሪያዎች በተጠቀሰው እሴት ውስጥ አንድ ስህተት ያሳያሉ (ማለት ± 2σ).
በተለይም ከተጠቁመው በስተቀር ሁሉም መደበኛ ግራፎች እንደ ዲዛይን ማጣቀሻዎች ብቻ የተያዙ እና ለመሞከር ተገዥ አይደሉም.
ከተጠቀሰው ፍጹም ከፍተኛው ደረጃ አሰጣጦች በላይ በመሣሪያው ላይ ዘላቂ ጉዳት ያስከትላል.እነዚህ ደረጃዎች መሣሪያው ሊጸና የሚችለውን የጭንቀት ገደቦች ብቻ ያመለክታሉ, እናም መሣሪያው በእነዚህ ሁኔታዎች በትክክል እንደሚሠራ የሚያረጋግጥ አይደለም.ከፍተኛው ደረጃዎችን ወይም አጠገብ ላሉት ሁኔታዎች መጋለጥ የመሣሪያውን አስተማማኝነት ከፍተኛ ተጽዕኖ ያሳድራል.
የመሣሪያ ሁኔታውን የሚገልጽ የመሣሪያው ተልዕኮ መገለጫ, ከጄዲክ እሴ 47 የትምህርት ደረጃ መመዘኛ ከተጠየቁ የተራዘሙ ተልእኮ መገለጫዎችን ከጠየቁ የተራቁ ተልእኮ መገለጫዎች.
የአንድ ውጫዊ ችሎታ ለተቆጣጣሪ ተቋም የመረጋጋት መረጋጋት ለማግኘት ሲሉ የቀዳሚ ችሎታ ሰፍቱ ከ VCAP ፒን ጋር መገናኘት አለበት.የእርምጃ ተመራማሪ ከ 15 ኤ.ኤ.ኤ.ኤ.ኤ.ኤ.ኤ.ኤ.ኤ.ኤ.ኤ.ኤ.ኤ.ኤ.ኤ.ኤ.ፒ. በታች.
የአሁኑ ፍጆታ በሚቀጥሉት ስዕል በተዘረዘረው መግለጫ መሠረት ይለካሉ.

በ Drive ሁኔታ ውስጥ አጠቃላይ የአሁኑን ፍጆታ ያቅርቡ
MCC ዎቹ በሚቀጥሉት ሁኔታዎች ስር ይቀመጣል-
• ሁሉም ቼርቶች ተሰናክለዋል (በሰዓት የሚጠቁ መልዕክቶች ዜማዎች በግልጽ ከተጠቀሱ በስተቀር).
• ሁሉም እኔ / O ፒሲቲክ በቪድዲቲክ እሴት ወይም በ VSS (ምንም ጭነት የለም)
ለ VDD እና ta አጠቃላይ የአሠራር ሁኔታዎች ተገ subject ነው.

STM8S103f3P6 20 ፓነሎች አሉት, የፒን ስሞች እና ተግባራት እንደሚከተለው ናቸው
ፒን 1 (PD4 / BEEET / ቲም 2 / urar1 _c): ወደብ D4
ፒን 2 (PD5 / AIN5 / Uart1 _TXX): ወደብ D5
ፒን3 (PD6 / AIN6 / Uart1 _rx): ወደብ D6
ፒን 4 (NEST): ዳግም ማስጀመር
ፒን 5 (PA1 / OSCIN): - ወደብ A1
ፒን6 (ፓ 2 / OSCOUT): ወደብ A2
ፒን7 (vss): ዲጂታል መሬት
ፒን8 (vcap) 1.8 V Cediter Cocitor
ፒን9 (vud): ዲጂታል ኃይል አቅርቦት
ፒን 10 (PA3 / TO3_ CH3 [SPI_ NSS]: ወደብ A3
ፒን11 (PB5 / I2C_ SAD [ቲም 1_ BKIN])-ወደብ b5
ፒን12 (PB4 / I2c_ SCL): - ወደብ B4
ፒን13 (ፒሲ 3 / ቲም 15 [ቲሊ] [ቲም 1_ 5 00n] ፖርት C3
ፒን14 (ፒሲ 4 / CLE_C_CCO / HOT1_ CH4 / AIN2 / [ቲም 1 00n2n], ወደብ C4
ፒን15 (ፒሲ 5 / SPI_Sck [ቲም 22 00_] ፖርት C5
ፒን16 (ፒሲ 6 / SPI_MOSI [ቲም 1_ CH1])-ወደብ C6
ፒን17 (ፒሲ7 / SPI_MISO [TOOM1_ CH2])-ወደብ C7
ፒን18 (PD1 / መዋኘት): - ወደብ D1
ፒን19 (PD2 / AIN3 / [ቲም 22 00 / ፖርት]): ወደብ D2
ፒን20 (PD3 / AIN4 / TOD2_ CH2 / ADC_ etr): ወደብ D3
ከላይ ባለው ስእል እንደሚታየው, እንደ ጂፒዮ, ቼፖች በይነገጽ, ADC, ADC, ADC, ADC, ADCICEALEARACE እና ሊሆኑ ይችላሉየውጭ ምልክቶችን ለማንበብ ወይም እንደ ውፅዓት ፓንዶች ምልክቶችን ወደ ውጫዊ መሳሪያዎች ለማንበብ እንደ የግቤት ፒኖች ያገለግላሉ.በተጨማሪም, እያንዳንዱ / o በሚከሰቱበት ጊዜ የሚያቋርጡ ማቋረጥን ለማመቻቸት እያንዳንዱ እኔ / O ፒን በቀላሉ ሊተገበር ይችላል.
• አውቶማቲክ ሲስተም-ይህ ማይክሮኮንትርተር እንደ ኤሌክትሪክ መጋረጃዎች, የመቆጣጠሪያ ሥርዓቶች, የሙቀት መጠን ቁጥጥር እና የመብራት ቁጥጥር ያሉ በራስ-ሰር ስርዓቶች ውስጥ ጥቅም ላይ ሊውል ይችላል.
• አዋቂዎች (የነገሮች ኢንተርኔት) ትግበራ-የአንደኛ መርህራቸውን እና የግንኙነት ሞጁሎችን ለመገናኘት እና ለመቆጣጠር ለዩዮስ ኖዶች እንደ ተቆጣጣሪ ሆኖ ሊያገለግል ይችላል.
• የግል የኤሌክትሮኒክስ መሣሪያዎች-በዲጂታል ካሜራዎች, MP3 እና MP4 ተጫዋቾች, በኤሌክትሮኒክ የጨዋታ መጽናቶች, ወዘተ ጥቅም ላይ የዋሉ
• የኤሌክትሮኒክ መሣሪያዎች-የተለያዩ የኤሌክትሮኒክስ መሳሪያዎችን ለማዳበር ያገለግል ነበር
እንደ ኤሌክትሮኒክ አሻንጉሊቶች, የርቀት መቆጣጠሪያዎች, አነስተኛ አሲዶች, ወዘተ ያሉ ያሉ ያሉ ሰዎች ያሉ
• የኢንዱስትሪ መስክ በፕል, በኢንዱስትሪ ተቆጣጣሪዎች, በራስ-ሰር እና በመርከብ ራስ-ሰር መቆጣጠሪያ መሳሪያዎች, ወዘተ.
• የውሂብ ማግኛ እና አነገማቸው በይነገጽ-የአካባቢያዊ ሁኔታዎችን ለመቆጣጠር እና ውሂቦችን ለመቆጣጠር ያገለገሉ ወይም እንደ ቀላል ዳሳሾች, የሙቀት ዳሳሾች እና የእርጓሜ ዳሳሾች ያሉ የተለያዩ ዳሳሾችን ለማገናኘት.
• የተካተተ የመቆጣጠሪያ ስርዓት: - እንደ የቤት መሣሪያዎች, የኢንዱስትሪ መሣሪያዎች, የኃይል መሣሪያዎች, ወዘተ የመሳሰሉ የተለያዩ የተካተቱ የቁጥጥር ስርዓቶችን ዲዛይን ለማድረግ ያገለገሉ ለበርካታ ቀላል ቁጥጥር ሥራዎች በቂ ነው.
STM8S103f3P6 በ Stremicrose.mentronsices የተገነባ ማይክሮContropter ቺፕ ነው.እሱ የ 8-ቢት ማይክሮኮሎጂ ሰሚዎች የ STM8 የ "STM8 /" የ "STM8 /" የ 8-ቢት ማይክሮካል ሰራተኞች ሲሆን በተለያዩ የተዋሃደ ሥርዓቶች እና በአስተዋዋቂዎች መተግበሪያዎች ውስጥ በሰፊው ጥቅም ላይ ይውላል.
Stm8s103f3P6 ማይክሮControstrold አሃድ 640 ቢት ሮም አሃድ 10-ቢት ሮም ኤድ.ሲ. 1 ኪ.ቢ. ራም እና 8 ኪ.ባ.
የ STM8S10 313f253 ን ከ MSP130g2353, Ste16s16344P3, STM8S103f3P3, STM8s103f3P3T ወይም STM8S1T3PRE ወይም STM8s103PRES.
አዎን, የ STM8S1033f3P6 በዝቅተኛ ኃይል ባህሪዎች ውስጥ የተነደፈ ሲሆን የኃይል ውጤታማነት በሚኖርበት በባትሪ ኃይል ኃይል ባለሞያዎች ወይም በዝቅተኛ የኃይል መተግበሪያዎች ውስጥ ጥቅም ላይ ሊውል ይችላል.
የ STM8S1031f3 አንዳንድ ቁልፍ ባህሪዎች ጂፒዮ (አጠቃላይ ዓላማ ተቀባዮች) ግንኙነትን ያካትታሉ, i2c (interial Progrator) ግንኙነት, SPI (የስራ ባልደረባዎች) ግንኙነት, ሰዓት እና ሌሎችም.
ስለ እኛ
የደንበኛ እርካታ በየጊዜው.መተማመን እና የጋራ ፍላጎቶች.
የሊቲየም ሳንቲም ሴል CR2354 ቴክኒካዊ ዝርዝሮች
2024-08-02
ወደ ኡምጋ328-PU Micrireconverer አጠቃላይ መመሪያ
2024-08-02
ኢሜይል: Info@ariat-tech.comኤች ቲኤል: +852 30501966ADD: Rm 2703 27F Ho King Comm Center 2-16 ፣
ፋ Yuen ሴንት ሙንግኮክ ኮሎንግ ፣ ሆንግ ኮንግ።